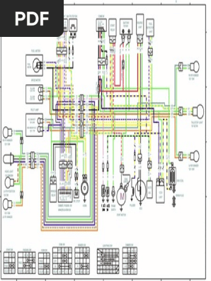
Kymco Agility 50 Carry Wiring Diagram | PDF

Kymco Agility 50 Carry Wiring Diagram | PDF

€84.88

Beschikbare opties

elektrisch schema kymco agility 50
Kymco Agility 50 Carry Wiring Diagram | PDF

In totaal 4 gasten hebben commentaar gegeven

2026-04-19

Artikel oogt degelijk en voelt goed aan.

2026-04-16

Product voelt goed ontworpen en stevig aan.

2026-04-21

Alles kwam in perfecte staat aan.

2026-04-17

Werkt efficiënt en is gebruiksvriendelijk.

Voeg een beoordeling toe

Uw e-mailadres wordt niet gepubliceerd. Verplichte velden zijn gemarkeerd

Uw beoordeling